HELLA

Electronic Flasher Unit - 12V - 5 Pin - 2+1

Not available in this region

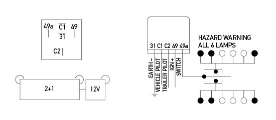
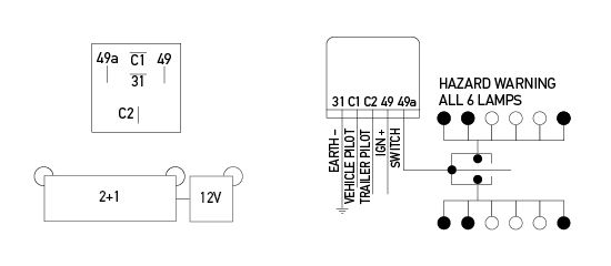
Flasher unit designed to operate 2 or 3 lamps on either side of a vehicle with caravan or trailer. Includes mounting bracket. Separate pilot lamp indicates operation of flasher lamp on the trailer. Incorporates hazard warning flasher system when used in conjunction with HELLA switch P/N 5227. 

To find a HELLA reseller near you, click here.

Rollover/tap the icons below for further details:

Options

Specifications

Maximum Load

2+1 (6) x 21W

Pin Designations

Terminal Number Description
49/X Flasher input (+)
49a/L Flasher output (+) to lamps or indicator switch
31 Earth (-)
C/C1/CP/P Vehicle pilot lamp output (+)
C2 1st trailer pilot lamp output (+)

Outline

All dimensions in mm.
All dimensions in mm.

Top