HELLA

12V 5 Pin Change-over Micro Relay - 20/10A - Resistor

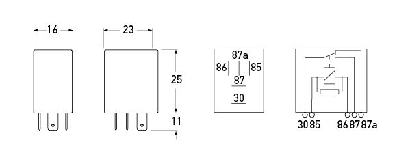
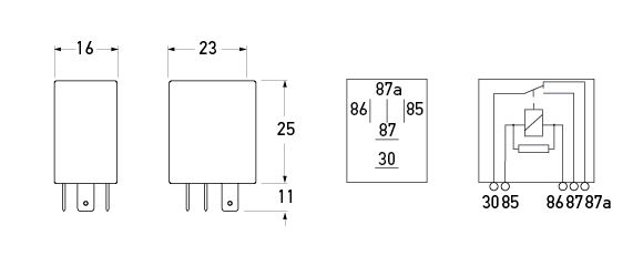
Micro relay with parallel resistor. Features three 4.8mm and two 6.3mm blade terminal contacts.

Trust in our Quality Relays

Production expertise: HELLA produces more than 100 million relays per year. Thanks to optimised production we can offer a competitive price for customers. HELLA relays have an extremely low failure rate.

OEM customers: HELLA develops and produces relays for AGCO, Claas, Daimler AG, Ford, VW, GM, JCB, Opel, Nissan, John Deere, Chrysler and Jaguar/Land Rover among others. We have been working with many customers for decades. 

To find a HELLA reseller near you, click here.

 

Rollover/tap the icons below for further details:

Options

12V 5 Pin Change-over Micro Relay - 20/10A - Resistor

PART NO: 4RD 007 814-071
Legacy PN: 3065

Specifications

Voltage

12V

Pins

5 Pin

Function

Change-over

Protection

Resistor

Pin Designations

Terminal Number Connect to
85/2 Earth (end of winding to ground or negative).
86/1 Positive.
87/5 Output (to consumer e.g. driving lamp).
87a/4 Alternative output (1st output, break side).
30/3 Positive supply (Input from + battery terminal, direct).

Maximum Load

Terminals Amperage
3-5 20A
3-4 10A

Current Draw

140mA

Bracket

No

Note

Features three 4.8mm blade terminals (85 86 and 87a) and two 6.3mm blade terminals

Outline

All dimensions in mm.
All dimensions in mm.

Top